Long-aks gwo vitès DC motè pou Airsoft
Dyamèt ekstèn: 23mm,
Longè: 78.5mm,
Lajè: 29.6mm
Port: Shenzhen, Lachin
Kapasite pwodiksyon: 200,000 motè pa jou
Tèm peman: L/C, T/T, D/P, Western Union, Paypal, Money Gram
Dekri teren
Apèsi sou lekòl la
Garanti | 3mwa-1ane |
Kote orijin | Guangdong, Lachin |
Non mak | Vshida |
Nimewo Modèl | VSD-480WA-7022G |
| Itilizasyon | Airsoft endistri |
| Kalite | Motè Airsoft |
Pwa | TBD (diferan rapò diferan pwa) |
Eleman | Diversifye |
Konstriksyon | Eman pèmanan |
Komitasyon | Brushless |
Pwoteje Karakteristik | Customized |
| Ranje vòltaj | Mwens pase oswa egal a 36 V |
Non pwodwi | Mikwo motè |
Rated Voltage | 11.1 V |
Pa gen chaj aktyèl | Mwens pase oswa egal a 5 A |
| Tès imidite | 45 pousan -75 pousan |
| Tanperati tès la | 20 degre ± 2 degre |
| Rated vitès | 31000±8 pousan r/min |
| Sortie pouvwa | 160W |
STALL koupl | Pi gran pase oswa egal a 2600 g.cm |
Tèm peman | 30 pousan avanse, 70 pousan balans |
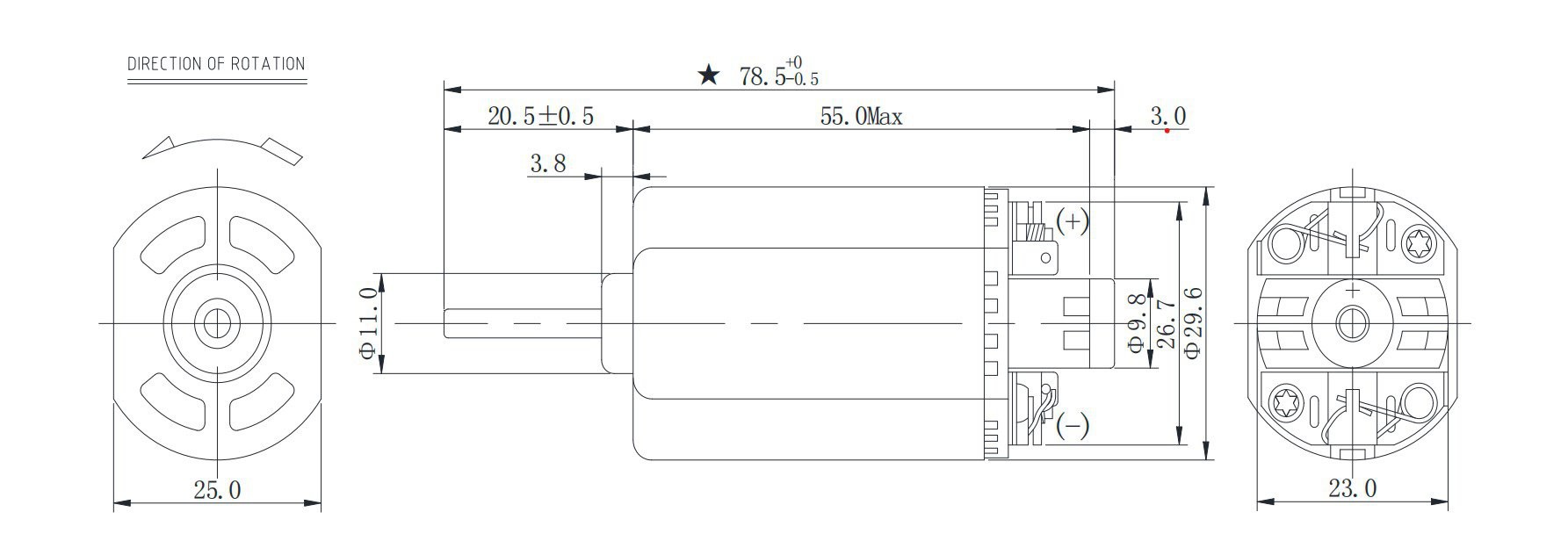
Dimansyon | 78.5*29.6(mm) |
| Kritike | CE |
Customized | Aksepte |
Pwen esansyèl konpayi

Kapasite Pwovizyon pou
Kapasite Pwovizyon pou: 6000000 Moso / Moso pou chak mwa dc motè ak kontrepwa
Deskripsyon Product

An mwayèn de mwa pou devlope yon nouvo motè
Paramèt pwodwi
| Kliyan | PA GEN CHAJ | NAN MAX EFIKASYON | STALL | |||||
| MODEL | VITESSE | KOURAN | VITESSE | KOURAN | KOUPL | EFF | KOURAN | KOUPL |
| rpm | A | rpm | A | g.cm | pousan | A | g.cm | |
| VSD-480WA-7022G | 20200 | 2.4 | 17200 | 15.1 | 495 | 70.7 | 95 | 3600 |
Gwosè pwodwi

Koub Pèfòmans

Espesifikasyon ki anwo yo se pou referans sèlman, kalite ak paramèt espesifik mikwo airsoft motè a ka Customized.
Karakteristik pwodwi
Long-aks gwo vitès DC motè pou Airsoft rotor bobin: 0.85mm segondè tanperati fil kwiv -14T
Entèn fòs mayetik nan latè ra estokaj: apeprè 1700Gs
Lojman ak kouvèti dèyè: gen de woulo bi
Limit prentan: Manganèz asye 1.0 dyamèt fil
Metal bizote Kovèti pou: D twou, bò fèmen vis
Sifas koki motè: pwosesis galvanoplastie nwa
Pwodwi detay
| 100 pousan aktyèl foto yo |
|
Rotor: pi bon kalite fil kwiv blese, bon jan kalite fè nwayo, rezistans tanperati ki wo, diminye enèji konsomasyon, diminye rezistans aktyèl la | BEARINGS: aks wonn, pi pratik pou enstale, pa fasil pou glise, ekonomize tan enstalasyon (ka Customized selon demann) | |
| 100 pousan aktyèl foto yo |
|
Bouchon fen: sèvi ak bon jan kalite matyè premyè pou ogmante lavi sèvis la, ranje rotor motè a, epi gen yon efè dissipation chalè. | Chasi: galvanoplastie sifas ka fèt, nan anviwonman piman bouk, motè a pa fasil pou rouye, pa fasil pou oksidasyon, elatriye. |
Avantaj Airsoft Motor
1. Motè dirab: Kontrèman ak motè tradisyonèl bwose, ki jenere gwo chalè ak mete deyò byen vit, motè brushless pa bezwen an kontak ak stator la, epi yo 30-40 pousan pi efikas pase motè bwose, konsa pwolonje yo. lavi sèvis. 10 fwa.
2. Entelijan, egzak ak san danje: Sèvi ak yon sikwi kontwòl ak CPU ak MOSFET rezistans entèn ki ba, se operasyon an motè jisteman reglemante, ak efikasite konvèsyon li yo se de fwa ke nan motè tradisyonèl yo. Anplis de sa, sikwi kontwòl la bay ba vòltaj, surchof ak pwoteksyon surcharge pou batri a.
3. Estrikti aliminyòm: Te fè nan aliminyòm machin CNC, sifas la anodize amelyore dissipation chalè.
4. Repons deklanche ultra-rapid: Motè DC gwo vitès aks long pou motè Airsoft fèt pou kenbe tèt ak 7.4V ak 11.1V Li-polymère pil, epi li ka bay jiska 32,000rpm ak 48,{ {11}}rpm anba pil 7.4V ak 11.1V.
5. Dirèk plug-in: jis ranplase motè orijinal bwòs kabòn, epi ou ka kòmanse sèvi ak li san modifikasyon.
6.Zòn aplikasyon yo: kadna pòt elektwonik, switch entelijan, straighteners cheve vapè (dlo jè cheve straighteners), peeler etikèt, mete entelijan, machin entelijan pwodwi ekipman enprime 3D, boukle cheve, kofr, tournevis elektrik, kanpe ekspozisyon, robo, jwèt Machin , bato, pwodwi bote, pwodwi elektwonik, elatriye.
Fòs konpayi


Otomatik likidasyon machin, stator otomatik stator machin, kouvèti fen otomatik stator machin, otomatik soude machin ak lòt ekipman motè-wo fen
Tès fyab ak laboratwa, tès bri, tès ki enpèmeyab, tès lavi, tès aksidan, tès depo, tès espre sèl, elatriye bon jan kalite garanti pou motè ou a.
Sètifika pwodwi

Kèk nan patnè nou yo

Nou te angaje nan endistri motè a pou anpil ane, ki kouvri pi fò nan mache Ewopeyen yo ak Ameriken yo, epi gade pou pi devan pou vin patnè alontèm ou nan Lachin.
Aplikasyon

Ranje aplikasyon an nan motè mikwo se trè laj, ak modèl yo ka Customized pou jaden aplikasyon diferan. Si ou gen bezwen espesyal, tanpri ou lib pou kontakte nou
Anbalaj transpò

Anbalaj enteryè nan bwat kim: 350 * 265 * 280mm
Carton ekstèn anbalaj: 365 * 275 * 320mm
Pwa 16.7kg / 350pcs
Achte Gid

Peman ak livrezon

Modèl diferan nan mikwo-motè gen diferan vitès ak pouvwa. Si ou bezwen lòt fonksyon, tanpri rele manifakti a epi reponn demann ou an nan lespas 24 èdtan. Anbalaj kim ki pa chok, gwosè katon apwopriye. Si ou gen bezwen anbalaj espesyal, tanpri kontakte nou davans.
Voye rechèch
Ou ka renmen tou
















